Trong thực tế hệ thống bơm nước có thể sẽ bao gồm nhiều bơm chung 1 đường ống cấp nước, các bơm sẽ được khởi động và chạy trực tiếp từ điện lưới, thời gian chạy dừng dựa theo tín hiệu từ rơle thời gian. Nhược điểm của hệ thống này là do động cơ chạy qua điện lưới nên khi khởi động dòng sẽ cao gây sụt áp hệ thống điện và tuổi thọ động cơ sẽ không đươc cao đặc biệt với các động cơ công suất lớn và việc đấu nối phức tạp,tốn nhiều công sức…
Khắc phục nhược điểm trên Delta đưa ra giải pháp sử dụng biến tần Delta CP2000 điều khiển luân phiên nhiều bơm luân phiên theo thời gian (P12-00 = 1 Fixed Time Circulation by time) . Biến tần Delta CP2000 có thể điều khiển luân phiên tối đa 4 bơm không cần card mở rộng, và 8 bơm sử dụng thêm card mở rộng
Số lượng bơm bơm được cài ở tham số P2-01,thời gian hoạt động của các động cơ là P2-02, Thời gian dừng bơm để chuẩn bị chạ bơm tiếp là P2-03
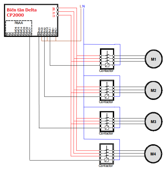
Cách đấu nối biến tần điều khiển 4 bơm,sử dụng thêm card mở rộng R6AA

Sơ đồ nguyên lý hoạt động của biến tần điều khiển nhiều bơm luân phiên

Các tham số cài đặt :
P12 : 00 = 1 Chọn chế độ điều khiển luân phiên theo thời gian hay gọi bơm theo thời gian
P12:01=1~8 số lượng bơm trong hệ thống
P12:02=Thời gian hoạt động của mỗi bơm = phút
P12:03=Thời gian trễ để khởi động bơm tiếp theo
Sau khi cài đặt số lượng bơm trong hệ thống tham số P12-01 thì các thông số ngõ ra đa chức năng sẽ tự động được cài đặt như bảng dưới đây

Biến tần CP2000 Delta là dòng biến tần chuyện dụng cho hệ thống bơm nước,hệ thống quạt, hệ thống điều hòa trung tâm.Ưu điểm của dòng biến tần Delta CP2000 điều khiển bơm
- Thiết kế hiện đại,màn hình LCD,hiển thị nhiều tham số cùng 1 lúc
- Giá thành cạnh tranh
- Đa tính năng,tích hợp PLC trong biến tần,đáp ứng các yêu cầu điều khiển với nhiều các điều kiện khác nhau
- Có nhiều chế độ điều khiển bơm khác nhau, như chạy luân phiên theo thời gian,chạy điều áp,chạy điều áp gọi bơm...
Vui lòng liên hệ khi cần hỗ trợ thêm :
Call/ Zalo - Lê Văn Tân - 0989 772 198






