Module loadcell DVP02LC-SL là module đọc tín hiệu tốc độ cao từ đầu cân và kết nối tới PLC Delta với các dòng như PLC Delta DVP28SV, DVP12SA, PLC Delta DVP12SE, DVP20SX, DVP10SX...( Các dòng PLC Delta slim có module mở rộng phía bên trái Left -side )
Module loadcell DVP02LC-SL là phiên bản mới,thay thế dòng DVP02LC-SL cũ
Thông số kỹ thuật module loadcell DVP02LC-SL
- 2 kênh đọc cảm biến ,đầu cân
- Sử dụng nguồn nuôi 24vdc
- Tích hợp 1 cổng truyền thông RS232,1 cổng RS485
- Độ phân giải 24 bit cho phần cứng ( ADC), 32 Bit cho dữ liệu đầu ra
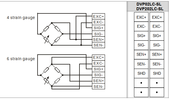
- Có thể kết nối 4 dây/ 6 dây tới đầu cân
- Dải đo lường 0~06 mV/V
Sơ đồ đấu nối module loadcell DVP02LC-SL

Chú ý : Dòng module load cell DVP02LC-SL hiện đã ngừng sản xuất và được thay thế bằng verion mới là DVP202LC-SL với dải đo lường rộng hơn lên đến 0~80 mV/V



Bình luận