Module DVP06PT-S( DVP-06PT) là mô đun nhiệt Delta đọc 6 đầu vào nhiệt độ RTD và chuyển đổi thành tín hiệu số. DVP04PT-S dùng cho Các dòng PLC Slim như DVP10SX, DVP-12SA2, DVP14SS2, DVP28SV ,DVP12SE và các dòng PLC DVP10MC11T, DVP15MC...Có 49 CR (thanh ghi điều khiển) trong mô-đun và mỗi thanh ghi có 16 bit. PLC Delta có thể đọc dữ liệu từ DVP04PT-S hoặc ghi dữ liệu vào DVP046T-S bằng lệnh FROM/TO.
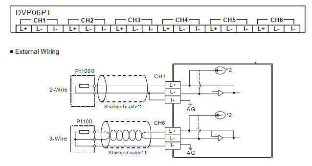
Sơ đồ đấu nối module DVP06PT-S ( DVP-06PT)

Thông số kỹ thuật module DVP06PT-S DVP-06PT
- Mỗi 1 module DVP06PT-S có 6 ngõ vào nhiệt RTD
- Mô đun DVP06PT-S tích hợp truyền thông RS485
- Cảm biến nhiệt đầu vào loại : 2-wire/3-wire Pt100 / Pt1000 3850 PPM/°C (DIN 43760 JIS C1604-1989)
/ Ni100 / Ni1000 / LG-Ni1000 / Cu100 / Cu50/ 0~300Ω / 0~3000Ω - Nguồn cấp 24VDC (20.4VDC ~ 28.8VDC) (-15% ~ +20%), 2W
- Khi kết nối mô-đun DVP-06PT tới PLC, các mô-đun này được đánh số từ 0 – 7. 0 là gần nhất và 7 là xa nhất với PLC. Mỗi 1 plc ghép được tối đa 8 mô-đun và chúng không chiếm bất kỳ điểm I/O digital nào của PLC.
- Điều kiện Vận hành của module nhiệt Delta DVP06PT-S: Nhiệt độ 0°C ~ 55°C, độ ẩm 5 ~ 95%, ô nhiễm độ 2
- Bảo quản: Nhiệt độ -25°C ~ 70°C , độ ẩm 5 ~ 95%
- Tiêu chuẩn Chống rung/chống sốc: IEC61131-2, IEC68-2-6 (TEST Fc)/ IEC61131-2 & IEC68-2-27 (TEST Ea)


Bình luận