Module loadcell DVP201LC-SL là module đọc tín hiệu tốc độ cao từ đầu cân và kết nối tới PLC Delta với các dòng như PLC Delta DVP28SV, DVP12SA, DVP20SX, DVP10SX...( Các dòng PLC Delta slim có module mở rộng phía bên trái Left -side )
Module loadcell DVP201LC-SL là phiên bản mới,thay thế dòng DVP01LC-SL cũ
Thông số kỹ thuật module loadcell DVP201LC-SL
- Sử dụng nguồn nuôi 24vdc
- Tích hợp 1 cổng truyền thông RS232,1 cổng RS485
- Độ phân giải 24 bit cho phần cứng ( ADC), 32 Bit cho dữ liệu đầu ra
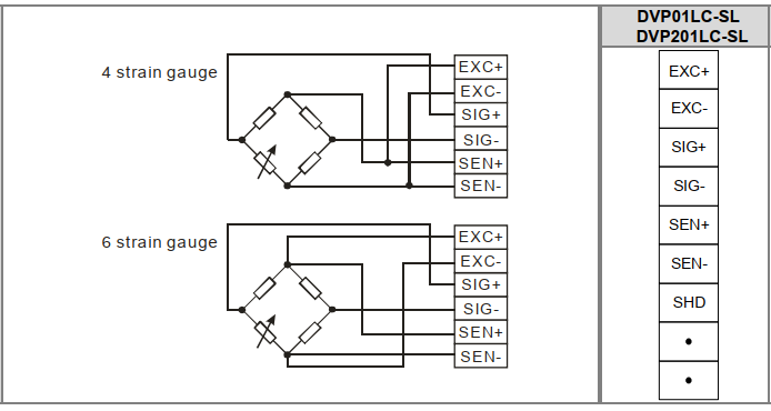
- Có thể kết nối 4 dây/ 6 dây tới đầu cân
- Dải đo lường 0~80 mV/V
Sơ đồ đấu nối module loadcell DVP201LC-SL



Bình luận