Thay thế động cơ VS và bộ điều khiển bằng động cơ không đồng bộ 3 pha và biến tần Delta giúp doanh nghiệm tiết kiệm điện năng, nâng công suất làm việc của máy sản xuất
Tìm hiểu về động cơ VS ( Variable Speeds Electrical Direct )
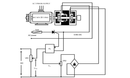
Cấu tạo của động cơ VS
Cấu tạo của một bộ VS bao gồm
- Bộ điều khiển
- Động cơ bao gồm 2 phần
- Phần thứ cấp : Đây là loại động cơ không đồng bộ roto lồng sóc
- Phần thứ cấp : Chính là bộ ly hợp từ
Nguyên lý hoạt động và điều chỉnh tốc độ của động cơ VS
- Khi động cơ sơ cấp quay, ống lót gắn trên trục sơ cấp cũng quay theo. Tốc độ quay bằng tốc độ quay của trục sơ cấp. lúc này ta bắt đầu cấp nguồn điện 1 chiều vào nam châm điện, dưới tác dụng của từ trường nam châm điện càng lớn thì lực điện từ sinh ra càng lớn dẫn đến tốc độ quay của trục thứ cấp càng lớn. Tốc độ quay của của trục thứ cấp luôn nhỏ hơn hoặc bằng tốc độ của trục sơ cấp.
- Như vậy khớp nối giữa trục sơ cấp và trục ra thứ cấp được thực hiện bằng từ trường của Nam châm và được gọi là khớp từ hay khớp nối mềm
- Tốc độ trục thứ cấp được điều chỉnh tùy theo đặc tính tải từ 130 v/p đến 1300 v/p

Nhược điểm khi sử dụng động cơ VS
- Phải sử dụng 2 nguồn điện khác nhau là nguồn 1 chiều cho việc điều chỉnh tốc độ , và nguồn xoay chiều 3 pha cấp cho động cơ phần sơ cấp.
- Trong quá trình hoạt động, motor phía sơ cấp luôn quay ở tốc độ định mức mặc dù tốc độ của trục thứ cấp thay đổi theo điều chỉnh, việc này dẫn đế lãng phí điện năng.
- Tốc độ động cơ chỉ được giới hạn trong dải tần số 0 Hz cho tới tần số của điện lưới
- Động cơ VS không có khả năng bù momen trong quá trình khởi động
- Mạch khống chế điều khiển tốc độ tương đối phức tạp.
- Hiệu suất làm việc không cao vì vậy gây lãng phí điện năng
Thay thế động cơ Vs bằng động cơ không đồng bộ + Biến Tần Delta
Để khắc phục những hạn chế của một hệ thống sử dụng động cơ VS ta có thể thay thế bằng động cơ thường công suất tương đương tùy vào từng ứng dụng và một biến tần điều khiển tốc độ.
Việc thay thế bộ động cơ VS bằng động cơ có biến tần Delta điều khiển khiến người dùng phải mất một khoản chi phí tương đối lớn. ( chi phí mua động cơ mới, chi phí mua biến tần, Nhân công lắp đặt...) Tuy nhiên những lợi ích thiết thực của việc thay thế này cũng sẽ khiến người dùng nhanh chóng thu hồi được vốn đầu tư ban đầu, và có nhiều hiệu quả về lâu dài.
Lợi ích từ việc thay thế bộ động cơ VS bằng động cơ thường và biến tần Delta.
-
Giảm tiếng ồn đối, đặc biệt đối với các động cơ cỡ lớn, động cơ chạy dừng êm hơn nên tăng tuổi thọ của động cơ.
- Tốc độ động cơ được điều chỉnh một cách dễ dàng hơn, dải điều chỉnh rộng hơn có thể từ 0~600 Hz ( tùy thuộc vào cấu tạo của từng động cơ).
- Hiệu suất động cơ được cải thiện.
- Động cơ được bảo vệ quá tải, quá áp, dòng….Khi có sự cố biến tần Delta sẽ hiển thị lỗi lên màn hình bằng các mã. Do đó người dùng có thể dễ dàng phát hiện lỗi và kịp thời khắc phục.
- Tiết kiệm điện, tùy vào nhu cầu sử dụng thực tế. Dùng động cơ không đồng bộ và biến tần thay thế bộ động cơ VS có thể tiết kiệm từ 30% tiền điện trở lên.
- Nâng cao hiệu suất làm việc của máy, giúp tăng số lượng sản phẩm trong cùng 1 khoảng thời gian

Để được tư vấn thêm vui lòng liên hệ :
Lê Văn Tân - 0989 772 198 or 0949529977
Mail : tanlevan@etecvn.com








